| Autore |
Discussione  |
|
dnyele
Utente Senior
   

Prov.: Vicenza
Città: vicenza
1219 Messaggi |
|
|
Soft
Utente Senior
   

Regione: Veneto
Prov.: Verona
Città: in leto
1266 Messaggi |
Inserito il - 30/08/2007 : 17:00:14
|
quella vite regola apputnto il minimo! per regolarlo metti la vespa in folle e ferma accesa. la sviti fino quando muore... appna sta per morire dagli un quarto di giro... se ora la vespa rimane accesa da sola, hai regolato il minimo giusto!! ciao ciao |
 |
|
|
dnyele
Utente Senior
   

Prov.: Vicenza
Città: vicenza
1219 Messaggi |
|
|
Soft
Utente Senior
   

Regione: Veneto
Prov.: Verona
Città: in leto
1266 Messaggi |
Inserito il - 30/08/2007 : 17:16:04
|
si ..in effetti c'è anche quella... ma si usa solo per regolare la tensioe del filo e della guaina nel caso si debba sostituirle.. in questo modo si possono montare bene guaine che hanno pochi centimetri di differenza.. capito? |
 |
|
|
vespa 125 et3
Utente Master
    
Prov.: Pescara
Città: Pescara
2836 Messaggi |
Inserito il - 30/08/2007 : 21:52:38
|
nicola mi sa che hai confuso.la vite che indichi tu è il registro.
invece il nostro amico vuole saper a che serve quella che sta al lato del carburatore,cioe quella che regola la carburazione del minimo.
se avviti smagrisci la carburazione al minimo se invece aviti ingrassi
io ho capito che ci ha chiesto questo |
 |
|
|
dnyele
Utente Senior
   

Prov.: Vicenza
Città: vicenza
1219 Messaggi |
Inserito il - 31/08/2007 : 09:16:00
|
ehm...scusate ragazzi! Io inizialmente volevo parlare di quella vite che sta a lato:...quella che si può presentare come una vite normale che però nella parte terminale ha la punta..oppure a volte è anche a farfalla di un colore rosso-rosa! Non sono mai riuscito a capire il vero significato di quella vite!
Poi che io sappia esistono altre due viti del caburatore: 1) una serve sicuramente solo per regolare la guaina 2) la seconda serve per tenere leggermente aperto quello sportellino a ghigliottina (non conosco il nome tecnico)in modo che passi sempre un pò d'aria per mantenere il minimo.
Possibile che la vite Laterale e quella della ghigliottina servano entrambe per il minimo? se è così, come si fa a capire quando tutte e due sono regolate giuste? Potrebbe essere che si compensano ma in modo errato...scusate sto facendo un pò di confusione..anche se sn sicuro che una volta capito sarà una cosa banale! |
mappa dei vespisti:http://maps.google.com/maps/ms?ie=UTF8&hl=it&msa=0&msid=118312506246150280568.00044a3b72b04d4cdeff2&z=5

VESPISTI ITALIANI E NON SOLO...ISCRIVETEVI!!! un modo per conoscere i nostri vicini http://www.vespaforever.net/forum/topic.asp?TOPIC_ID=10613&whichpage=1
|
 |
|
|
poeta
Moderatore
    

Prov.: Roma
Città: roma
25632 Messaggi |
Inserito il - 31/08/2007 : 10:12:09
|
Regola solo L'aria del minimo....
..famo tutta avvitata e poi tre mezzi giri a svitare, anzi...
fai quattro mezzi giri che ho capito ti piace "grassa" |
pugnodidadi |
 |
|
|
dnyele
Utente Senior
   

Prov.: Vicenza
Città: vicenza
1219 Messaggi |
|
|
Soft
Utente Senior
   

Regione: Veneto
Prov.: Verona
Città: in leto
1266 Messaggi |
Inserito il - 31/08/2007 : 12:13:23
|
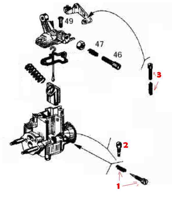
Immagine:
 35,81 KB
io l' ho sempre vista così (carburatore 16.10 dell' orto di special)
1: vie regolazione minimo ( registra quanto la ghigliottina deve rimanere aperta con acceleratore lasciato)
2:carburazione al minimo
3: registro per variabilità lunghezza guaina/filo
in cosa sbaglio?? |
 |
|
|
dnyele
Utente Senior
   

Prov.: Vicenza
Città: vicenza
1219 Messaggi |
Inserito il - 31/08/2007 : 12:31:56
|
io ho sempre pensato che:
*la vite numero 46 è quella per regolare la guaina...infatti se la sviti si appoggia sempre di più alla guaina e il filo si tende...ma è logico che se si svita troppo, si può avere l'effetto secondario che si alza il minimo xchè tira troppo.
*la vite numero 3 è quella per regolare la ghigliottina (più si avvita e più la ghigliottina si alza)e quindi il minimo d'aria che passi nel carburatore perchè la vespetta tenga il minimo.
*Il mio quesito era rivolto alla vite numero 1!!!! A quanto sembra serve per il minimo anche quella? ma non ho capito un tubo.... |
mappa dei vespisti:http://maps.google.com/maps/ms?ie=UTF8&hl=it&msa=0&msid=118312506246150280568.00044a3b72b04d4cdeff2&z=5

VESPISTI ITALIANI E NON SOLO...ISCRIVETEVI!!! un modo per conoscere i nostri vicini http://www.vespaforever.net/forum/topic.asp?TOPIC_ID=10613&whichpage=1
|
 |
|
|
Soft
Utente Senior
   

Regione: Veneto
Prov.: Verona
Città: in leto
1266 Messaggi |
Inserito il - 31/08/2007 : 13:23:36
|
si si è vero.. la n 46 è come dici tu!--
per la n 1, quella che ha anche una molla, serve per tenerere aperta la ghigliottina con acceleratore rilasciato e per regolarla ho sempre fatto così come ti ho detto sopra e cioè
per regolarlo metti la vespa in folle e ferma accesa. la sviti fino quando muore... appna sta per morire avvita un quarto di giro... se ora la vespa rimane accesa da sola, hai regolato il minimo giusto!! ciao ciao |
 |
|
|
vespa 125 et3
Utente Master
    
Prov.: Pescara
Città: Pescara
2836 Messaggi |
Inserito il - 31/08/2007 : 14:08:01
|
allora la vite 1 regola la carburazione al minimo,quindi se la avviti(ovvero smagrisce) entrando piu aria il minimo si alza ma la carburazione risulta magra e quindi pericolosa.
la vite 2 è il getto min e la vite 3 regola il minimo.
per fare le cose bene quindi devi carburare la vespa al minimo e poi lo alzi o lo abbassi a seconda dei gusti |
 |
|
|
poeta
Moderatore
    

Prov.: Roma
Città: roma
25632 Messaggi |
Inserito il - 31/08/2007 : 14:12:12
|
La TUA rimane accelerata perchè<:
hai l'albero anticipato
hai la fase del paitto ruttore anticipata
aspiri aria
il getto è piccolo
Cosa monti e che vespa hai???? |
pugnodidadi |
 |
|
|
Soft
Utente Senior
   

Regione: Veneto
Prov.: Verona
Città: in leto
1266 Messaggi |
Inserito il - 31/08/2007 : 14:13:57
|
ma guarda che la vite 1 interviene direttamente sulla ghigliottina e ha la stessa funzione della vite 3 e intervenendo direttamente sulla ghigliottina, si varia sia la quantità d' aria ma anche quella benzina che sono mescolate in una nube... cioè.. con la 1 e 3 hanno la stessa funzione, son la stessa cosa...
poi per carburare al minimo si interviene con la n° 2 io la vedo così.. |
 |
|
|
vespa 125 et3
Utente Master
    
Prov.: Pescara
Città: Pescara
2836 Messaggi |
Inserito il - 31/08/2007 : 14:42:17
|
| no la vite 1 non interviene sula ghigliottina se smonti il carburatore lo vedi.infati si vede un buchetto che sta prima della ghigliottina e li agisce la vite.infatti se avviti tutto puo sporgere un pochino la punta della vite |
 |
|
|
Soft
Utente Senior
   

Regione: Veneto
Prov.: Verona
Città: in leto
1266 Messaggi |
Inserito il - 31/08/2007 : 14:46:34
|
ok allora andrò a vedere... potrebbe essere che non mi ricordo bene... ciao ciao grazie
|
 |
|
Discussione  |
|