| Autore |
Discussione  |
|
n/a
deleted
49 Messaggi |
Inserito il - 12/04/2008 : 08:35:45
|
| Le puntine sono state regolate da un mio amico. Anche quando fossero regolate male un minimo di scintilla dovrebbero farla o no? |
 |
|
|
n/a
deleted
49 Messaggi |
Inserito il - 12/04/2008 : 17:09:04
|
Nessuno mi sa dire come si regolano le punte sulla mia Vespa per favore. Domattina mi mettero all'opera e vorrei avere tutte le informazioni che mi occorrono se possibile.
Ciao e grazie
Andrea |
 |
|
|
hki
Utente Attivo
  

Regione: Veneto
Prov.: Padova
Città: Padova
514 Messaggi |
Inserito il - 12/04/2008 : 20:42:52
|
| per regolarle, tolto il tappo di gomma dal volano lo fai girare lentamente fino ad arrivare in corrispondena alle puntine che devono inizare ad aprirsi. l'apertura, come quota, io vado a occhio, tieni 1-1.5mm. se aprono poco al max ti fa un po' l'effetto 4 tempi sui medi regimi ma nulla di che..io in genere svito appena un po' la vite di fermo delle puntine e facendo come ti ho appena descritto, se devo aprire/chiudere con un cacchiavite a taglio modifico il "registro"..spero di aver reso l'idea.. |
http://www.vespepadane.com/ |
 |
|
|
n/a
deleted
49 Messaggi |
Inserito il - 12/04/2008 : 23:28:01
|
1.5 mm? ma non è un pò troppo? Io ho sentito parlare spesso di 4 decimi di millimetro o al massimo di mezzo millimetro...
|
 |
|
|
hki
Utente Attivo
  

Regione: Veneto
Prov.: Padova
Città: Padova
514 Messaggi |
Inserito il - 13/04/2008 : 11:31:36
|
hai ragione,scusa,0.3-0.4 mm. andavo un po' a memoria visiva e mi sembrava di più..se vuoi una guida dettagliata guarda sul sito del palli, si riferisce ad una smallframe ma il rincipio dovrebbe essere lo stesso. http://www.palli.it/vespa/sost_puntine.htm
ma alla fine le hai regolate? e questa corrente arriva o ancora niente? scoperto se qualcosa va a massa? |
http://www.vespepadane.com/ |
 |
|
|
n/a
deleted
49 Messaggi |
Inserito il - 13/04/2008 : 12:13:40
|
Sono appena tornato dal garage! Risolto! Ho smontato le punte e le ho scartavetrate, ho regolato con lo spessimetro ed è partita al primo colpo di pedivella. Sfiga ha voluto che mi si tranciasse la mezzaluna che si mette tra l'albero ed il volano. Probabilmente perchè il volano era un pochino lento. Cmq domani cambio la mezzaluna e rimonto tutto. Grazie a tutti per i consigli. Alla fine era una sciocchezza è solo che l'amico che mi ha regolato le punte evidentemente non aveva ben chiaro come fare.
|
 |
|
|
n/a
deleted
49 Messaggi |
Inserito il - 20/04/2008 : 17:28:14
|
A quanto pare il problema sulla mia vespa persiste! Ho sostituito punte, condensatore e candela (la bobina avrà 100 km), ma il problema rimane. Praticamente quando la accendo a freddo parte immediatamente e tutto funziona alla grande. Se ci faccio un giro anche sui lunghi percorsi non ha nessun problema. In alcune occasioni però (spesso devo dire) quando il motore scende al minimo, perchè ad esempio sono ad uno stop capita che la Vespa si spenga da se.. a questo punto l'unico modo per farla ripartire è aspettare una buona mezz'ora che si raffreddi!! Avete qualche suggerimento da darmi visto che combatto con questo problema da un bel pò?
|
 |
|
|
Davide92
Utente Attivo
  

Regione: Piemonte
Prov.: Torino
Città: Torino
689 Messaggi |
Inserito il - 20/04/2008 : 18:47:41
|
| allora misà che non è un problema elettrico... |
Un giorno un piccolo aereo lasciò le ali in cielo per diventare un mito in terra... ...Vespa...
|
 |
|
|
n/a
deleted
49 Messaggi |
Inserito il - 20/04/2008 : 19:16:02
|
Beh si.. quello purtroppo l'ho capito...:-( A me sembra come se in quei momenti in cui si spegne il carburatore buttasse troppa benzina sulla candela bagnandola.. Qualcuno ha idee su cosa potrebbe essere? |
 |
|
|
hki
Utente Attivo
  

Regione: Veneto
Prov.: Padova
Città: Padova
514 Messaggi |
Inserito il - 21/04/2008 : 08:07:55
|
| hai provato a smontare la candela per vedere se è bagnata quando non riesci più a farla ripartire??se lo è potrebbe essere anche un problema di carburatore, magari lo spillo conico che non tiene più.. |
http://www.vespepadane.com/ |
 |
|
|
n/a
deleted
49 Messaggi |
Inserito il - 23/04/2008 : 20:10:22
|
Lo spillo conico è nuovo.. ma potrebbero anche avermene dato uno sbagliato. Appena posso verificherò la candela dopo che mi si è spenta e ti saprò dire. Grazie per l'aiuto...:-)
|
 |
|
|
n/a
deleted
49 Messaggi |
Inserito il - 01/05/2008 : 16:35:51
|
Purtoppo non ho ancora avuto modo di verificare la candela della mia Vespa. Oggi però ho avuto modo di fare un giro sulla Vespa e confermo i problemi descritti precedentemente. Ho notato però che quando è molto calda in alcune occasioni durante le accelerazioni il motore perda qualche colpo (ci sono dei momenti di vuoto senza spari o rumori strani). Dopo aver notato questi vuoti ho spento la Vespa, perchè ero arrivato a casa e non è più partita. Si è riaccesa, come sempre, solo dopo che si è raffreddata per bene.
Sapete dirmi qual'è la candela ideale per la mia Vespa? Ho letto sul forum che la migliore è la NGK B8HS confermate?
|
 |
|
|
n/a
deleted
49 Messaggi |
Inserito il - 01/05/2008 : 16:45:22
|
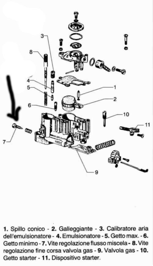
Dal momento che domani dovrei pulire il carburatore mi date qualche dritta per la carburazione. A quanto ho capito si deve solo agire sulla vite "7" della figura allegata.
Immagine:
 129,76 KB
Avvito a fondo e svito di 2,5 giri. Accendo la vespa e faccio un giro per scaldarla per bene. Poi svito la candela, se è nera devo smagrire (avvitando la vite o svitando?) agendo sempre sulla vite "7" se è biancastra devo ingrassare di nuovo agendo sulla stessa vite. Giusto?
|
 |
|
|
vespa_90
Utente Master
    

Città: Milano
10870 Messaggi |
Inserito il - 01/05/2008 : 22:06:50
|
i cavi dello statore che vanno alla scatolina dei contatti sono nuovi? li hai cambiati? comunque dovrebbe essere un problema della bobina. Il tuo modello dovrebbe averla già esterna, in tal caso prova a sostituirla direttamente con quella anche si un ciao o di una vespa 50, collegando all'unico capo (a differenza dell'originale che ne dovrebbe avere due o tre) munito di fastom maschio il filo lungo che viene su dal condensatore.
Se il problema persiste è la bobina dell'avvolgimento interno dell'accensione sullo statore stesso |
 Restauro e rifacimento di qualsiasi motore small e largeframe (no pk e px>'95) e restauri integrali
|
 |
|
|
vespa_90
Utente Master
    

Città: Milano
10870 Messaggi |
Inserito il - 01/05/2008 : 22:07:34
|
pardon....non ho seguito le ultime risposte
per il carburatore, la vite 7 va svitata da tutta chiusa di 2,5 giri
come candela va bene una B8HS, una W4AC o una L78C |
 Restauro e rifacimento di qualsiasi motore small e largeframe (no pk e px>'95) e restauri integrali
|
 |
|
Discussione  |
|