Vespa, accessori e ricambi in vendita su eBay, guarda gli annunci!

 

Il nuovo forum di VespaForever.net

Questo Forum resterā aperto solo in lettura, come un grande archivio. Registrati sul nostro nuovo Vespa Forum

lnx.vespaforever.net - vespaforever.it  

Forum Vespa Piaggio: Vespaforum e mercatino di www.vespaforever.net - pulizia carburatore px 125
Forum Vespa Piaggio: Vespaforum e mercatino di www.vespaforever.net

Forum Vespa Piaggio: Vespaforum e mercatino di www.vespaforever.net
[ Home | Discussioni Attive | Discussioni Recenti | Segnalibro | Msg privati | Regole del forum | Utenti Album Fotografico | | Download | CERCA | Help ]
Nome Utente:
Password:
Salva Password
Password Dimenticata?

 Tutti i Forum
 Motore e Tecnica
 Vespa tecnica: problemi al motore
 pulizia carburatore px 125
 Forum Bloccato
 Versione Stampabile Bookmark this Topic Aggiungi Segnalibro
I seguenti utenti stanno leggendo questo Forum Qui c'č:
Autore Discussione Precedente Discussione Discussione Successiva  

valepx12581
Utente Medio

px
Cittā: Napoli city


297 Messaggi


Inserito il - 27/04/2008 : 17:37:16  Mostra Profilo Invia a valepx12581 un Messaggio Privato
ragazzi la settimana prossima mi dedico alla vespa,oltre al cambio olio cambio,voglio farci una pulizia al carburatore,come devo fare?da cosa devo partire?ci sono delle foto passo passo...o qualche link utile?!
grazie genteee!!!

richiesta cancellazione
ex enzobyte

piston

Cittā: Marca Elefante


1013 Messaggi

Inserito il - 27/04/2008 : 21:21:29  Mostra Profilo Invia a richiesta cancellazione un Messaggio Privato
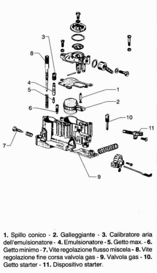
tutto quello che vedi nell'espoloso deve essere pulito sgrassato e soffiato con aria compressa

comprati il Kit guarnizioni dell'orto,, devono essere sostituite,,

Immagine:

35,83 KB
Torna all'inizio della Pagina

valepx12581
Utente Medio

px

Cittā: Napoli city


297 Messaggi

Inserito il - 28/04/2008 : 14:37:47  Mostra Profilo Invia a valepx12581 un Messaggio Privato
ok grazie!!!
Torna all'inizio della Pagina
  Discussione Precedente Discussione Discussione Successiva  
 Forum Bloccato
 Versione Stampabile Bookmark this Topic Aggiungi Segnalibro
Vai a:
Forum Vespa Piaggio: Vespaforum e mercatino di www.vespaforever.net © 2000 - 2024 vespaforever.net Torna all'inizio della Pagina
NUOVO VESPA FORUM VESPA FOREVER | Snitz.It | Snitz Forums 2000

Mercatino Vespa | Archivio Forum | VespaForever