| Autore |
Discussione  |
|
|
n/a
deleted
 

Prov.: Napoli
Città: Napoli
398 Messaggi |
Inserito il - 13/03/2008 : 20:02:31
|
Poichè sono completamente nuovo al mondo della vespa, volevo dei chiarimenti, soprattutto perchè qualche giorno fa degli imbecilli mi hanno svitato tutte le frecce (infatti ne parlerò i un thread). Fatto sta che oggi ho comprato le viti e le coperture di plastica per le frecce. Monto tutto con i bulloncini dietro e vedo che non si accendono.
Perchè? Vedo la freccia destra (non è stata smontata) che ha dei contatti attaccati al bulloncino della vite. Tutte collegate al cavo del manubrio (quindi presumo sia collegato alle frecce)... e la stessa cosa la vedo per la freccia sinistra, con la differenza che l' asticella di ferro è staccata. Ed appunto la frecca non funziona.
Lo stesso discorso è per le frecce di dietro, con la differenza che non so staccare le scocche 
Mi aiutate?
|
Non esistono stupide domande. Esistono solo stupide risposte. |
|
|
n/a
deleted

Prov.: Ravenna
Città: cervia
9 Messaggi |
Inserito il - 13/03/2008 : 21:03:44
|
devi cercare lo schema elettrico del modello della tua vespa....il resto è tutto diseganato la, devi solo seguire i colori! |
 |
|
|
n/a
deleted
    

Prov.: Pistoia
Città: Serravalle Pistoiese
3208 Messaggi |
Inserito il - 13/03/2008 : 21:34:34
|
sulle px il bulloncino che fissa le frecce è usato anche come terminale a massa per ogni singola freccia, in poche parole alla lampada arrivano due fili, uno dal manubrio (quindi da deviatore ed intermittenza) l'altro è quello di massa che è preso appunto su un bulloncino delle frecce. credo che anche i pk funzionino alla stassa maniera |
"Quante volte ho pensato di rinunciare e lasciargliela lì come fosse un gioco questa vita che è niente ma non è poco, quanti mezzi sorrisi ai miei ritorni, quante corse da scemo sui treni fermi quanti che chiamo e non si san più voltare" |
 |
|
|
n/a
deleted
 

Prov.: Napoli
Città: Napoli
398 Messaggi |
Inserito il - 13/03/2008 : 22:49:25
|
ah, ecco. Perfetto. Altra cosa: come posso aprire e chiudere le scocche?? non so come si fa |
Non esistono stupide domande. Esistono solo stupide risposte. |
 |
|
|
n/a
deleted
    

Prov.: Pistoia
Città: Serravalle Pistoiese
3208 Messaggi |
Inserito il - 14/03/2008 : 07:45:24
|
ma che vespa è?
i Primi px avevano un fermo sul telaio praticamente all altezza della pedana dove mette i tacchi il passeggero, nelle serie successsive ci sono due leve da ruotare sotto la sella, nelle pk c'è una specie di pulsante da tirare sotto la sella e cmq si apre lo sportellino le frecce sono sul telaio (almeno in quello che ho avuto io) |
"Quante volte ho pensato di rinunciare e lasciargliela lì come fosse un gioco questa vita che è niente ma non è poco, quanti mezzi sorrisi ai miei ritorni, quante corse da scemo sui treni fermi quanti che chiamo e non si san più voltare" |
 |
|
|
n/a
deleted
 

Prov.: Napoli
Città: Napoli
398 Messaggi |
Inserito il - 14/03/2008 : 14:17:13
|
| La mia è una PX ultima serie, del 2003 |
Non esistono stupide domande. Esistono solo stupide risposte. |
 |
|
|
claudiovng
Utente Senior
   

Città: Salerno
1206 Messaggi |
Inserito il - 14/03/2008 : 15:05:43
|
Hai dimanticato di mettere l'altro cavo a massa,copia dalla freccia non staccata.. Le pance di aprono tirando verso di te quelle due levette sotto la punta della sella! Ti consiglio di togliere le viti a croce e metterci delle viti esagonali,così stai più tranquillo... |
 |
|
|
n/a
deleted
 

Prov.: Napoli
Città: Napoli
398 Messaggi |
Inserito il - 14/03/2008 : 17:04:51
|
Si. Grazie!
Ho aperto la scocca sinistra (quella della ruota) e ho notato una cosa strana: la freccia di dietro ha un cavo tagliato all' interno, senza fili dentro. Ecco perchè non si accendono quelle di dietro!
A cosa è collegata? Mi date lo schema elettrico della mia vespa? io non l'ho trovato.
|
Non esistono stupide domande. Esistono solo stupide risposte. |
 |
|
|
n/a
deleted
    

Prov.: Pistoia
Città: Serravalle Pistoiese
3208 Messaggi |
Inserito il - 14/03/2008 : 21:44:22
|
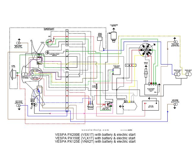
vedi se questo può andarti bene, se
Immagine:
 59,71 KB |
"Quante volte ho pensato di rinunciare e lasciargliela lì come fosse un gioco questa vita che è niente ma non è poco, quanti mezzi sorrisi ai miei ritorni, quante corse da scemo sui treni fermi quanti che chiamo e non si san più voltare" |
 |
|
|
n/a
deleted
    

Prov.: Pistoia
Città: Serravalle Pistoiese
3208 Messaggi |
Inserito il - 14/03/2008 : 21:47:10
|
| cmq come ha detto claudio prendi per esempio quella che funziona, in ogni caso un filo va a massa tramite un bulloncino della fraccia, l'altro ripercorre la scocca e va al contatto, domani se ce la faccio ti faccio una foto............ |
"Quante volte ho pensato di rinunciare e lasciargliela lì come fosse un gioco questa vita che è niente ma non è poco, quanti mezzi sorrisi ai miei ritorni, quante corse da scemo sui treni fermi quanti che chiamo e non si san più voltare" |
 |
|
|
remowilliams
Utente Master
    

Regione: Toscana
Prov.: Lucca
Città: massa macinaia
4109 Messaggi |
Inserito il - 15/03/2008 : 10:59:58
|
| questo chiamasi COLLABORAZIONISMO VESPISTICO! |
la mia vespa:le ali della libertà |
 |
|
|
n/a
deleted
 

Prov.: Napoli
Città: Napoli
398 Messaggi |
Inserito il - 15/03/2008 : 23:01:48
|
 Grazie mille!! |
Non esistono stupide domande. Esistono solo stupide risposte. |
 |
|
| |
Discussione  |
|